Views: 732
Product selection, consulting customer service, more efficient!
(24 hours a day online service)
In-depth customization according to different needs of customers
According to customer's new product development, sample testing can be provided
Applications:
■Car heating and air conditioning cycle
■Automotive torque converter cooling cycle
■New energy vehicle cooling cycle
product features:
■Weight: 0.38kg
■Protection level: IP67
■Insulation class: H class
■Service life: 20,000 hours
Conditions of Use:
■Ambient temperature: -40 ~ 125℃
■Medium temperature: -40 ~ 120℃
■Medium: Antifreeze
■Use place: car
Features:
■Adopt brushless motor, small size
■Low power consumption and low noise
■Small size, easy to install
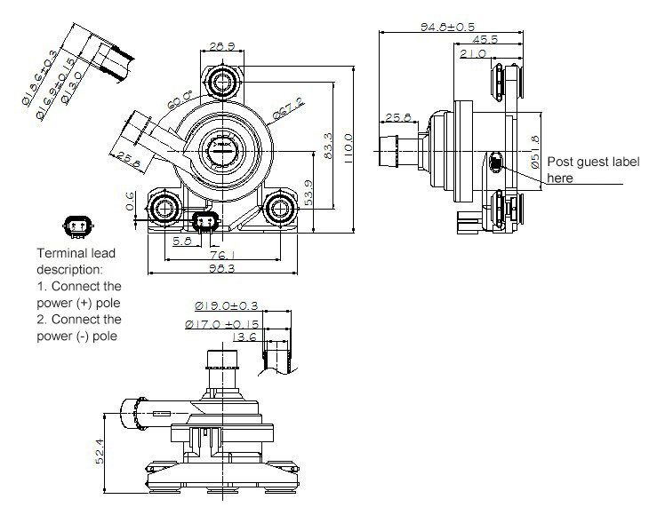
Physical dimension:

Graph:

| Rated voltage | Use voltage range | Rated current | Max lift | Maximum flow | Rated power | Maximum noise |
| V | V | A | m | L/min | W | dB(A) |
| 12 | 6-14 | 1.8 | 4.5 | 25 | 22 | ≤40 |