产品选型,咨询客服,效率更高!
(全天24小时在线服务)
根据客户不同需求,进行深度定制
根据客户新品开发,可提供样品测试
产品应用:
■汽车暖风空调循环
■汽车液力变矩器冷却循环
■新能源汽车冷却循环
产品特征:
■重量:0.38kg
■防护等级:IP67
■绝缘等级:H级
■使用寿命:20000小时
使用条件:
■环境温度:-40 ~ 125℃
■介质温度:-40 ~ 120℃
■介质:防冻液
■使用场所:车载
特点:
■采用无刷电机,体积小
■低功耗、低噪音
■体积小、便于安装
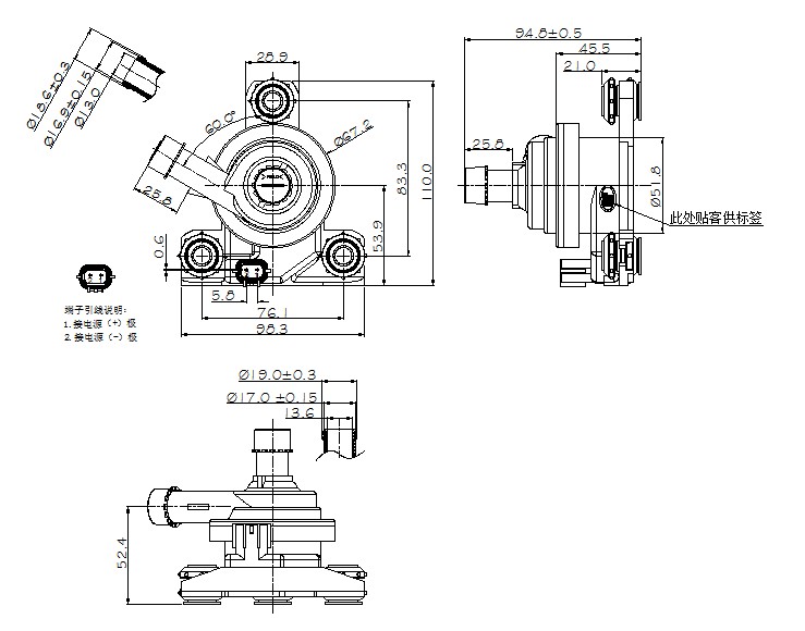
外观尺寸:

曲线图:

| 额定电压 | 使用电压范围 | 额定电流 | 最大扬程 | 最大流量 | 额定功率 | 最大噪音 |
| V | V | A | m | L/min | W | dB(A) |
| 12 | 6-14 | 1.8 | 4.5 | 25 | 22 | ≤40 |